首页 > 工程机械网 > 搅拌机

有机肥乳液用三轴搅拌机 抽真空 保负压

  • 价格:16888元/台
  • 产地:佛山
  • 品牌:竹子叶
  • 型号:NH
  • 规格:0-10000
  • 联系:朱先生 0757-86701270 13622529877
              联系我时请告知是在建材采购网看到的
  • 公司:佛山市竹子叶自动化设备有限公司
  • 产品介绍
    有机肥乳液用三轴搅拌机 抽真空 保负压

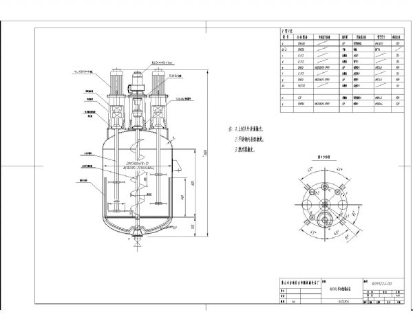
    三轴搅拌机是化工生产中的主体反应搅拌设备,一般有不锈钢反应釜、碳钢反应釜、搅拌釜等结构:
    1、传动机构:电机减速机、机架、联轴器轴承、联接板等组成。
    2、反应容器(釜体):根据容量大小及物料反应要求设计压力来确定板材厚薄;材质一般为不锈钢(304不锈钢321不锈钢316L不锈钢)、碳钢(A3);
    3、传热装置:有夹套、内盘管、外盘管等;采用有机热载体循环(导热油)或蒸汽、热水等方式加热;冷却水、冷冻水、冷导热油或自然风等方式冷却;
    4、搅拌装置:对桨搅拌、锚式桨搅拌、双螺旋桨搅拌、涡轮桨搅拌、分散盘、蝴蝶桨等;
    5、搅拌速度:搅拌速度选择视其物料搅拌要求进行选择,一般来说,几种液体物料需混合反应一般选择50转/分--85转/分。如要求把粉料分散到液体里一般选择500转/分--1500转/分。如要求把油乳化于水或两种不相容的液体乳化混合一般选择2500转/分--3500转/分。
    6、密封装置:有机械密封填料密封等;
    7、反应釜成套设备附件一般有蒸馏柱、换热器分水器等。

    三轴搅拌机的组成:
    中间组低速搅拌器:低速搅拌器的搅拌类型常为框式、桨式、框锚式,搅拌转速范围0~130r/min。主要对物料进行初次搅拌,为后工序的分散与乳化作准备。
    左右双边高速分散器:高速分散器的分散盘为锯齿形,高速转动时形成一强力的湍流区,不同流速的浆料层互相扩散,达到快速分散的目的。分散轴转速0~1200r/min可调。
    左右双边乳化机:快速运转的转子及十分精密的定子相互配合,产生十分强劲的液力前切、挤压、切割等,以此达到均质乳化的目的。
    对该产品咨询
    咨询内容
    联系方式
    联系人 
    搅拌机相关产品
    更多搅拌机产品 >>