首页 > 电气网 > 开关元件

KBH1-6/127矿用隔爆型转换开关

  • 价格:电询
  • 产地:浙江
  • 品牌:六班电气
  • 型号:KBH1-6/127
  • 联系:金蓓华 13706772032 13706772032
              联系我时请告知是在建材采购网看到的
  • 公司:浙江六班电气有限公司
  • 产品介绍
    A矿用隔爆型转换开关适用范围
    主要适用于具有易爆性气体(甲烷)混合物的煤矿井下任何场所,接入交流50HZ,127V及以下电压的线路中,对灯具,信号等进行控制。
    B矿用隔爆型转换开关产品特点
    1.外壳为铸铁材料,耐冲击抗振动。
    2.触点数量多,可同时控制多个负载。
    3.内置隔爆元件,外设隔爆型壳体,安全可靠。
    4.小巧轻便,安装与携带方便。
    5.悬挂与墙壁两种形式安装,使用方便。
    C浙江六班电气有限公司公司主营产品
    BHD矿用电缆接线盒、JHH矿用通讯接线盒、DGS矿用防爆灯具、矿用浇封型电子喇叭、矿用仪器仪表 等。
    广泛用于中国煤炭行业、中石油、中石化、电力、冶金、铁路、船舶、场馆、建筑、航空航天、消防及大型化工等企业。
    D正常工作环境
    a.环境气压:86Kpa~110Kpa;
    b.环境温度:-20℃~+40℃;
    c.空气相对温度不大于95%(+25℃时);
    d.在有甲烷爆炸性气体混合物的煤矿井下;
    e.在无破坏金属与绝缘的气体和蒸汽的环境中;
    f.安装类别:Ⅲ类;
    g.污染等级:3级。
    E产品分类
    1 开关的防爆型式:矿用隔爆型,防爆标志:ExdI Mb
    2 开关共设4对触点,可由用户自由选择接入触点对数。
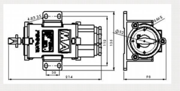
    F技术参数
    型号:KBH-10/127
    触点对数:1、2、3、4
    额定电压:127v
    *大电缆外径:∅12mm
    G使用与维护
    1 打开壳体时,必须切断前级电源
    2 要有防松措施(放弹簧垫圈)。
    3 将电缆穿过压紧螺母、放入金属垫圈、套进密封圈,通过引入装置引入壳体内,与接线端子接牢,用压紧螺母将密封圈压紧。
    4不使用的引入装置必须用压紧螺母将密封圈、钢质堵板压紧,以防失爆。
    5产品安装使用时,内、外接地必须良好可靠。
    6 维修或维护时,严禁划伤及碰撞隔爆面!合盖时应将隔爆面擦拭干净,涂204-1置换型放油绣,以防生锈。
    7在煤矿井下严禁带电开盖!
    售后服务与信息反馈
    浙江省温州市柳市镇捷达路332号
    任何有关产品的问题,可随时向六班电气厂家咨询。
    在产品质量保证期内,凡属产品质量问题,本公司负责免费维修或退换。
    销售经理:张 杰

    【经营范围】:我(浙江六班有限公司)产品主要应用于煤矿的配电开关控制设备 ,高低压电器及配件,电气防爆设备,电气成套设备,防爆开关,防爆灯具,电子元器件,电机设备,仪器仪表,电线电缆,五金制品,塑料制品制造等范围 。
    对该产品咨询
    咨询内容
    联系方式
    联系人 
    开关元件相关产品
    更多开关元件产品 >>