首页 > 电气网 > 开关元件

两档,三档,四档卧式 贴片式 插件式滑动开关

  • 价格:0.7元/个
  • 产地:深圳
  • 品牌:三博荣
  • 型号:SS-3391B-02
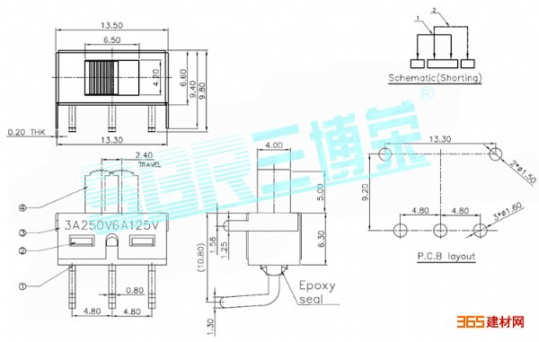
  • 规格:13.5mm*9.8mm
  • 联系:谢维福 13686863089
              联系我时请告知是在建材采购网看到的
  • 公司:深圳市三博荣科技有限公司
  • 产品介绍
    品牌 SBR/三博荣 型号 SS-3391B-02 类型 双极双位
    额定发热电流 300m(A) 机械寿命 50000(次) 产品认证 ROHS
    用途 汽车设备,安防设备,数码产品,电动玩具,家用设备 物料编号 SS1 加工定制 是
    温馨提示:产品图片、图纸、属性及价格等仅供参考,详情请来电或QQ咨询,谢谢!
    滑动开关的测试标准/滑动开关
    滑动开关耐久性测试  
    1.可焊性试验 
    端子顶部被浸入锡焊池中1㎜深,温并为230±5℃,时间为3 ±0.5秒。   
    注意:
    (1)焊接时间应少于3秒   
    (2)焊接面积要有75%以上。  
    2.耐焊性试验
    焊炉焊接的时候温度控制在260±5℃,过炉时间为3±0.5秒,于基板厚度为1.0㎜手焊接的时候温度需控制在320±5℃,时间为3±0.5秒。
    要求:必须满足本体无变形,满足于机械、电气能。   
    3.寿命测试
    无负荷:操作者以每分钟60次的频率作100,000回之无负荷测试。
    要求:
    (1)接触电阻不能超于200mΩ   
    (2)其它、满足于机械、电器性能。   
    4.耐热试验
    放置在温度85±2℃中测试96小时后,再放置正常室温中1小时来测定。
    要求:外观无异常驻,满足于机械,电器性能。   
    5.耐冷试验
    放置40±2℃。的相对湿度为90~96度环境中过96小时后,再将样板放在正常环境1小时后进行测试。
    要求:外观无异常,满足于机械,电器性能。
    6.潮湿试验
    放置40±2℃。的相对湿度为90~96度环境中过96小时后,再将样板放在正常环境1小时后进行测试。   
    要求:外观无异常,满足于机械,电器性能。
    滑动开关电气相关测试  
    1.接触电阻测试:
    在微小电流(100mA)以下测试。
    要求:必须达到30毫欧以下。
    2.绝缘电阻测试: 输入500V DC电压1分钟,按以下接触方法测试:   
    (1) 接触端子之间。
    (2) 胶座体与排脚之间。
    要求:必须达到100兆欧以上
    耐电压测试  输入AC 500V(50-60Hz)电压,1分钟感度电流为0。5mA,按以下接触方法测试:   
    (1)排脚相互之间
    (2)排脚与外壳之间   
    要求:没有绝缘破坏等异常
    绝缘电阻测试
    输入500V DC电压1分钟,按以下接触方法测试:
    (1) 接触端子之间。  
    (2) 胶座体与排脚之间。
    要求:必须达到100兆欧以上。
    对该产品咨询
    咨询内容
    联系方式
    联系人 
    开关元件相关产品
    更多开关元件产品 >>