
组成
减压装置是电动调节阀在压力控制领域的典型应用。该装置通过调节一次侧流体的动压头,达到控制减压阀后压力的目的。
该设备由西门子压力变送器、控制器、电动执行器及我公司生产的压力平衡式调节阀组成,若蒸汽温度小于220°也可选用西门子原装蒸汽阀门。
产品优势
电动无级调节,二次压力稳定,控制精度高;操作简便,只需通过控制器修改二次压力设定;运行平稳,使用寿命长。
应用范围
换热站热源及生产工艺设备前蒸汽压力调节;暖通空调、给排水系统或设备水力压力调节;液位控制等。
减压控制策略分解
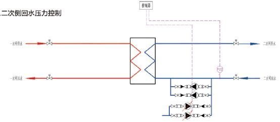
1、 二次侧回水压力控制
(1)根据二次侧回水压力(p22),,与设定回水压力比较,由控制器进行运算,向补水装置发出指令,以控制回水压力恒定。

(2)当采用变频恒压补水时,由补水变频器调整补水泵电机转速,以达到恒定补水压力的目的。
①当回水压力(P22)处于正常状态时,变频器处于休眠状态;
②当回水压力高于正常状态时,报警;当处于高高压状态时,水泵停机、并开始泄压;
③当回水压力低于正常状态时,报警;当处于低低压状态时,水泵停机。

(3)当采用定压补水时,由补水泵启停,以达到恒定补水压力在设定死区范围内的目的。
①当回水压力(P22)处于正常状态时,变频器处于停止状态;
②当回水压力高于正常状态时,报警;当处于高高压状态时,水泵停机、并开始泄压;
③当回水压力低于正常状态时,报警;当处于低低压状态时,水泵停机。
(4)当采用一次侧补二次侧时,由一次侧补水电磁阀直接向二次侧回水管补水,以达到恒定补水压力在设定死区范围内的目的。
2、一次侧供水压力控制
(1)根据一次侧供水压力(p11)与设定供水压力比较,由控制器进行运算,向一次供水(或蒸汽)侧电动减压阀发出指令,以控制供水压力恒定。

(2)当供水压力过高时,减小减压阀开度,以保护换热设备安全运行,减压阀精确恒压。

(3)当供水压力高于设定值时,报警;当供水压力超高时,强行切断热源。
3、一次侧回水压力控制
(1)根据一次侧压力(p12)gn设定回水压力比较,由控制器进行运算,向一次回水侧电动减压阀发出指令,以控制回水压力恒定。

(2)当回水压力过高时,减小减压阀开度,以保护一次侧回水管网压力平衡。

(3)当回水压力低于设定值时,报警;当回水压力超低时,强行切断热源。
