首页 > 安防网 > 其它

HFKPT1-12-30施奈赛两级跑偏开关

  • 价格:电询
  • 产地:温州
  • 品牌:施奈赛
  • 型号:HFKPT1-12-30
  • 联系:邱婷 0577-65615827 
              联系我时请告知是在建材采购网看到的
  • 公司:瑞安市施奈赛工业自动化有限公司
  • 产品介绍
    ★ 工作原理
    当运行中的胶带发生跑偏现象时,胶带边缘带动立棍旋并挤压使之倾斜,若立棍倾斜角度大于一级动作角度时,开关发生一组开关信号,如立棍继续倾斜大于二级动作角度时则输出另一组开关信号。两组开关信号可分别用于告警或停机,胶带机复位正常运行,立棍自动复位。
    ★ 结构特性
    采用铝合金精密铸壳体,强度高、重量轻开关采用进口的行程开关,触点容量大,动作灵敏,使用寿命长,密封性好,具有防尘、防震、防腐等优点外壳防护等级达IP65,可在恶劣的环境中长期工作。
    ★ 技术参数

    环境温度:-30℃~ +50℃;相对温度:不大于85%
        

    ★ 安装调试
    将跑偏开关固定在支架上,然后焊接在胶带机架上;立辊轴线与胶带平面相垂直,立辊与胶带边缘距离为L=50  100mm
    胶带位于立辊下端1/3处;
    每30m胶带可安装跑偏开关一对(2台);详见安装示意图

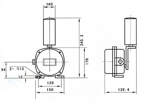
    外形尺寸图

    安装示意图

    ★ 结构特点:
    1. 本产品采用铝合金铸造壳体、强度高、重量轻。
    2. 外壳防护等级达到IP65,可在恶劣环境下长期工作。
    3. 本产品动作灵敏、稳定性高、性能可靠。
    HFKPT1-12-30、HFKPT1-20-35、XLPP-12-30、XLPP-20-45、DPK-12-30、DPK-20-35、DPK-10-45
    LLD1-S、JPK2-S、JPKJ-S、JSB-KPP-S、LLD1-Z、JPK2-Z、JPKJ-Z、JSB-KPP-Z、LLD2-1、LLD2-2、LLD2-3、HHTSD-1、LLD7、YHFPK、DFP、XLPP-J-12-30、XLPP-J-20-45、XLPP-D-12-30、XLPP-D-20-45、SPS-2D、ROS-2D
    XCRT315、XCRT314、XCRT115
    跑偏开关型号:JCPP-I、JCPP-I、JCPP-III、XLPP-I、XLPP-II、XLPP-III、PPKG-12-30、PPKG-10-45、PPKG-20-35、HFPPKG-12-30、HFPPKG-10-45、HFPPKG-20-35、DTPK-12-30、DTPK-10-45、DTPK-20-35、DPK-12-30、DPK-10-45、DPK-20-35、HFKPT1-12-30、HFKPT1-10-45、HFKPT1-20-35、YHPK-12-30、YHPK-10-45、YHPK-20-35、SXLSKG2、KPT1(HFKPT1)、PXA-02GKH-10-30-A、PXA-02GKH-10-30-B、PXA-02GKH-10-30-C
    两级跑偏开关
    HHTSD-1,JSB-KPP-Z,JSB-KPP-S,JPKJ-Z,JPKJ-S,JPK2-Z,JPK2-S, JYB/KS-Ⅱ,JYB/KS-Ⅰ,FPK-10-45,FPK-20-35,FPK-12-30, KPT1-20-35,KPT1-10-45,KPT1-12-30,HFKPT1-20-35,HFKPT1-10-45,HFKPT1,JM-KPT1-10-45,JM-KPT1-12-30,KPT1,HFKPT1-12-30,KPT-12-30 PPN-12-30,KPT-20-35,PPN-20-35,KPT--10-45, PPN-10-45,LLP2-1,LLP2-2,LLP2-3,LLP1-S,LLP1-Z,LLP3-S,LLP3-Z,LLP4-Z,LLP4-Y,LLP5-1,LLP6-1,LLP6-2,XCKMR54D1H29(2),XCRA11(2),XCRE18(2),XCRA15,XCRT115,XCRT315(4),XCK-MR202,LLD1-S,LLD1-Z,LLD2-1,LLD2-2,LLD2-3,LXP1D-120JPR(大铝轮子),SR-2D,XLPP-I,PPKG-12-30,PPKG-10-45,PPKG-20-35,HFPPKG-12-30,HFPPKG-10-45,HFPPKG-20-35, DPK-II,
    对该产品咨询
    咨询内容
    联系方式
    联系人 
    其它相关产品
    更多其它产品 >>