首页 > 泵网 > 水泵

煤气冷凝水排水器

  • 价格:4200元/台
  • 产地:江苏启东
  • 联系:陈文清 0513-83038997 13906283997
              联系我时请告知是在建材采购网看到的
  • 公司:启东市昶鑫环保设备有限公司
  • 产品介绍
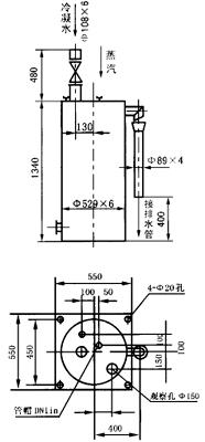
    煤气冷凝水排水器
    1、JD-MGP型排水器适用于不同压力的各种工业煤气架空管道
    2、该排水器必须采用压力给水,给水量为2-4t/h。
      

    1、JD-MGP型排水器适用于不同压力的各种工业煤气架空管道。
    2、该排水器必须采用压力给水,给水量为2-4t/h。
    3、排水器上设有蒸汽或氮气吹扫头,为防止煤气窜入蒸汽氮气管内,只有在通蒸汽或氮气时,才能把蒸汽或氮气与煤气和管道连通,停用时必须断开或堵盲板。
    4、排水器冷凝水应集中处理。
    5、设在露天的排水器在寒冷地区采取防冻措施,设在室内的应有良好的自然通风。
    对该产品咨询
    咨询内容
    联系方式
    联系人 
    水泵相关产品
    更多水泵产品 >>