建材采购网
注册
|
登录
建材公司
建材新闻
建材百科
建材标签
采购询价
家居
地板
卫浴
涂料
灯具
吊顶
厨具
砖瓦
家具
家电
空调
隔断
门窗
窗帘
五金
锁具
钢材
铝材
管材
管件
石材
塑料
木材
板材
玻璃
幕墙
电梯
楼梯
电气
电工
阀门
泵
安防
防水
园艺
水泥
包装
钢结构
活动房
工程机械
仪器仪表
办公设备
新型建材
化学建材
首页
>
工程机械网
>
水处理设备
煤气双管高低压排水器
价格:
3500
元/件
产地:启东
品牌:昶鑫
型号:2PS/36
联系:陈文清
0513-83038997
13906283997
↓
联系我时请告知是在
建材采购网
看到的
公司:
启东市昶鑫环保设备有限公司
产品介绍
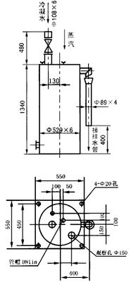
一、概 述
1、本
排水器
适用于计算压力低于31000Pa的煤气
管道
;低压侧仅适用于压力低于5000Pa的煤气管道。
2、排水器不设固定
给水管
,采用在观察处定期检查给水的办法,*一次开工灌水时,需打开顶盖上的DNlin
管帽
排放空气。
3、插入敞开室的DNlin蒸汽管,视南北方地区的气体条件决定是否需要接上外部蒸汽管,南方地区不接蒸汽管时需用管帽盖上。
4、排水器的水位高度为1390mm,水容积为0.41m3,高压侧的水封总高度为36000Pa,低压侧的水封总高度为12000Pa。
对该产品咨询
咨询内容
联系方式
联系人
水处理设备相关产品
PRESSUREWAVE™ PWB系列供水压力罐
价格:
221
元
/台
TWB系列生活热水系统专用膨胀罐
价格:
207
元
/台
HYDROGUARD™ 系列水锤吸收器
价格:
188
元
/台
CHALLENGER™ GCB系列供水压力罐
价格:
4310
元
/台
超声波清洗废水处理零排放回用设备
价格:
138500
元
/套
压铸加工脱膜剂废水处理达标排放设备
价格:
136000
元
/套
GWS增压供水气压罐恒压供水定压罐AWB全天候系列供水压力罐
价格:
399
元
/台
台湾沛毅净水专用RO碳钢压力桶
价格:
99
元
/台
相关推荐
电子水处理器
软化水处理设备
反渗透水处理设备
净水设备
旋流除砂器
紫外线杀菌器
反渗透净水机
反渗透膜
反渗透纯水设备
供水设备
无负压供水设备
紫外线消毒器
纯净水设备
电子水处理仪
废水处理设备
反渗透设备
软化水设备
无负压给水设备
变频供水设备
游泳池设备
生活污水处理设备
软水器
软水设备
全自动软水器
恒压供水设备
曝气机
加药装置
水过滤器
超纯水设备
全程综合水处理器
一体化污水处理设备
旁流水处理器
去离子水设备
游泳池水处理设备
海德能膜
海德能反渗透膜
无负压变频供水设备
电子除垢仪
地埋式污水处理设备
中水回用
超滤设备
气浮机
海水淡化设备
板框压滤机
带式压滤机
更多水处理设备产品 >>